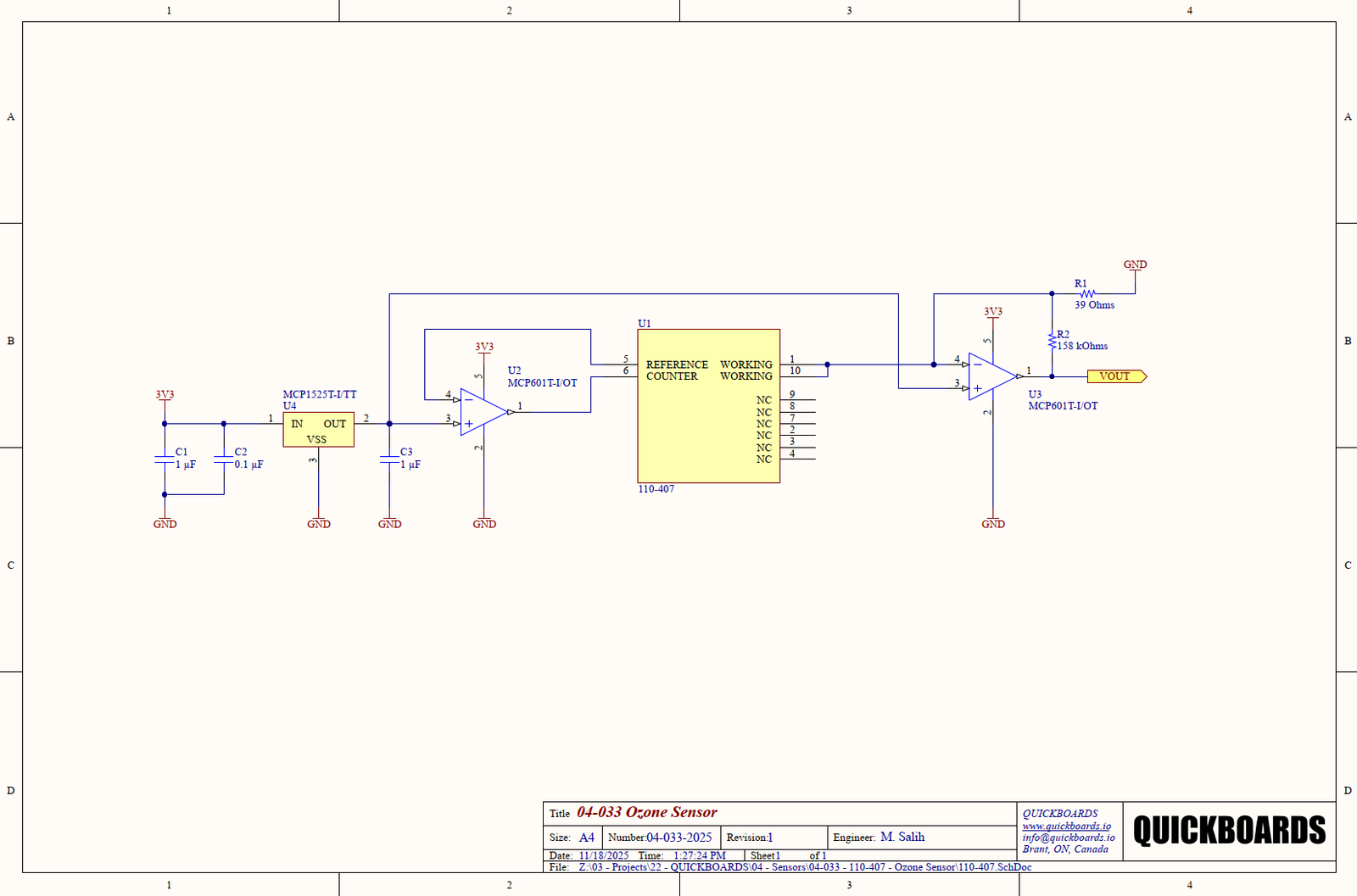
This schematic block features the 110-407, a compact surface-mount ozone (O₃) gas sensor designed for accurate, real-time detection of ozone concentrations in air. The 110-407 integrates a sensitive electrochemical sensing element with low-power signal conditioning, providing a reliable voltage output proportional to ozone levels, making it ideal for air-quality monitoring, environmental sensing, and HVAC safety systems.
Packaged in a small SMD form factor, this breakout-style module offers easy access to the sensor’s power, ground, and analog output pins, enabling rapid integration into microcontroller- or DSP-based data acquisition systems. Its fast response time and stable output ensure dependable measurements across a range of environmental conditions.
The 110-series ozone sensors are widely used in both consumer and industrial monitoring applications due to their robustness, compact size, and consistent long-term availability.
Key Features:
- 110-407 SMD ozone (O₃) sensor
- Compact surface-mount package for high-density designs
- Analog voltage output proportional to ozone concentration
- Low power consumption for portable and battery-operated systems
- Fast response and stable long-term performance
- Breakout layout for easy integration with microcontrollers and ADCs
- Suitable for continuous air-quality monitoring
Typical Applications:
- Indoor and outdoor air-quality monitoring
- Environmental sensing and HVAC safety systems
- Portable ozone measurement devices
- Industrial ozone detection and control
- IoT air-quality sensing nodes
- Educational and laboratory sensor projects
By integrating this Quickboards schematic block, engineers can prototype ozone detection systems quickly, reduce analog interface complexity, and leverage a reliable reference design suitable for real-time environmental monitoring applications.




