110-407 Ozone Sensor Reference Schematic Design

The 110-407 is a high-performance, ultra-low-power electrochemical ozone (O_3) sensor from SPEC Sensors. Its primary function is to detect and measure ozone concentrations in the ambient air, providing a current output proportional to the gas concentration. This sensor is widely utilized in air quality monitoring systems, industrial safety equipment, and consumer air purifiers. Its small form factor and surface-mount compatibility make it ideal for portable devices and high-density PCB designs where space and power efficiency are critical.
Unlock the Quickboards Library
Get instant access to this Altium Schematic and hundreds of other subcircuits. Hardware design, modularized. Schematic + Layout + Firmware. Built to IPC standards for zero re-spins.
Overview of the 110-407
This sensor belongs to a class of electrochemical devices that generate a current via a redox reaction. Unlike metal-oxide sensors, the 110-407 operates with extremely low power consumption and offers high selectivity toward ozone, with minimal cross-sensitivity to other common gases. Because the sensor produces a minute current (typically in the nanoampere to microampere range), it requires a precise analog front-end—specifically a potentiostat circuit—to bias the sensor and convert its current output into a usable voltage signal.
| Technical Specification | Value |
| Detection Range | 0 to 5 ppm (Parts Per Million) |
| Sensitivity | 30 to 70 nA/ppm (typical) |
| Supply Voltage (Analog Front-End) | 2.5V to 5.5V |
| Response Time (T90) | < 30 seconds |
| Operating Temperature | -30 to 50 Celsius |
| Resolution | < 20 ppb (Parts Per Billion) |
| Expected Operating Life | > 5 years |
| Humidity Range | 0 to 100 percent RH (non-condensing) |
Pin Configuration and Function Mapping
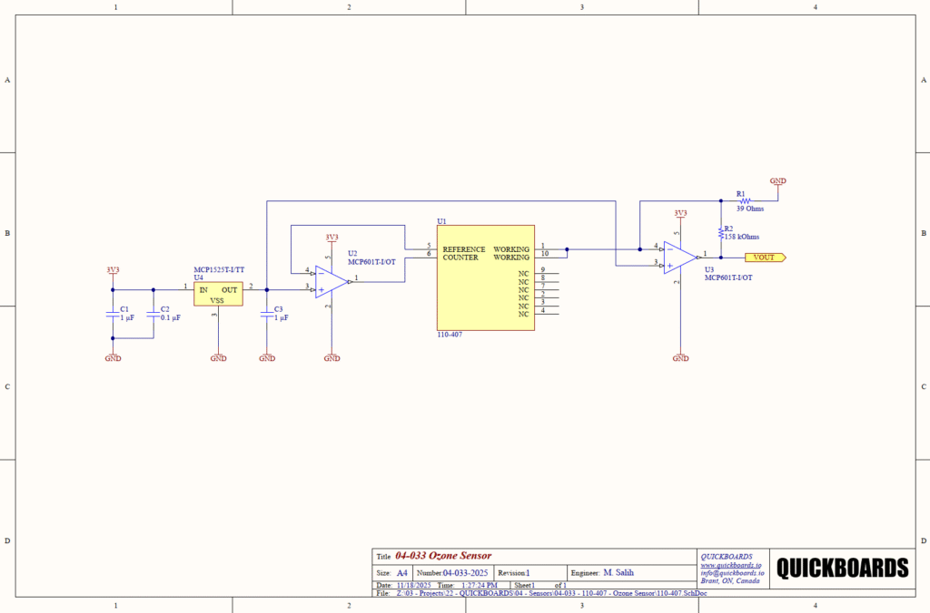
The 110-407 is a three-electrode electrochemical sensor. In this reference design, it is integrated into a potentiostat circuit that maintains the electrochemical potential required for accurate gas detection.
| Pin Number | Primary Function | Secondary / Peripheral Functions |
| 1, 10 | WORKING | Working Electrode (Current Output) |
| 5 | REFERENCE | Reference Electrode (Potential Monitoring) |
| 6 | COUNTER | Counter Electrode (Current Return) |
| 2, 3, 4, 7, 8, 9 | NC | No Internal Connection |
Functional Block Analysis & Design Decisions
Power and Reference Biasing Block
The circuit utilizes a stable 3.3V power rail (3V3). The first critical stage is the voltage reference, U4 (MCP1525T-I/TT), which provides a high-precision 2.5V output. This reference is essential for the potentiostat circuit to function, as electrochemical sensors require a stable “zero” reference point to distinguish gas signals from background noise. C1 (1 microfarad) and C2 (0.1 microfarad) provide decoupling for the input of U4, while C3 (1 microfarad) stabilizes the output. Using ceramic X7R capacitors ensures low equivalent series resistance (ESR) and high stability over temperature, which is paramount for maintaining the reference voltage’s accuracy.
Potentiostat and Biasing Buffer
U2 (MCP601T-I/OT) is configured as a voltage follower (buffer) for the 2.5V reference. Its output is connected to the Reference (Pin 5) and Counter (Pin 6) electrodes of the sensor. The role of U2 is to provide the necessary current to the Counter electrode while maintaining the Reference electrode at exactly 2.5V relative to the circuit ground. This configuration ensures the electrochemical cell remains in equilibrium. The MCP601 is selected for its low input bias current and rail-to-rail output, preventing the amplifier from loading the sensitive electrochemical cell and introducing measurement drift.
Signal Conditioning (Transimpedance Amplifier)
The most critical part of the signal path is the transimpedance amplifier (TIA) stage, U3 (MCP601T-I/OT). The Working electrode (Pins 1, 10) produces a current proportional to the ozone concentration. U3 converts this current into a voltage centered around the 2.5V reference. R2 (158 kOhms) defines the transimpedance gain. A high-precision resistor is required here to ensure repeatable sensitivity across different production units. R1 (39 Ohms) is placed in the feedback loop to provide high-frequency stability and reduce noise peaking. Senior engineers should note that the high gain of this stage makes it sensitive to parasitic capacitance; therefore, U3 and its feedback components must be placed with minimal trace lengths to the sensor pins.
Design Rationale and Trace Logic
The decision to use 39-ohm and 158-kohm resistors utilizes standard E96 precision values to achieve a specific gain-bandwidth product tailored for ozone detection. The layout requires a “star” ground connection and a solid ground plane to prevent digital noise from the rest of the system from coupling into the high-impedance analog lines. Specifically, the traces connecting the Working electrode to the inverting input of U3 must be guarded and kept away from any high-speed switching signals (such as I2C or PWM) to prevent electromagnetic interference (EMI) from corrupting the ppb-level measurements.
Implementation Insights
A primary engineering consideration for the 110-407 is the stabilization time. Electrochemical sensors contain an electrolyte that must reach chemical equilibrium when first powered. Upon initial power-up or after a long period of storage, the VOUT signal may take several minutes to several hours to settle at the baseline 2.5V. Firmware should implement a “warm-up” delay to ignore data during this period.
Mechanical integration is equally important. The sensor requires access to the atmosphere, but the sensing membrane is delicate. It is recommended to use a dust filter or a gas-permeable membrane in the final enclosure to protect the sensor from particulates and liquid ingress while still allowing ozone to diffuse into the cell. Airflow should be managed to ensure a representative sample of ambient air reaches the sensor without creating a pressurized environment, which could cause transient measurement spikes.
Users must avoid exposure to high concentrations of solvent vapors, such as alcohol or cleaning agents, which can saturate the sensor and temporarily shift the baseline. In industrial settings, the sensor should be placed away from localized heat sources, as the temperature compensation algorithm in the host controller relies on the sensor being at ambient temperature to accurately calculate the ppm concentration.
Applications
- Air Purifiers: Providing real-time ozone level feedback to ensure safe operation of ionic or UV-based air cleaners.
- Industrial Safety: Monitoring for ozone leaks in water treatment facilities, food processing plants, and laundry systems using ozone generators.
- Smart Home HVAC: Integrating into ventilation systems to monitor indoor air quality and trigger fresh air intake.
- Handheld Gas Detectors: Enabling portable safety equipment for workers in environments where ozone is used for sterilization or chemical processing.
Integrating the 110-407 into your design
The 110-407 ozone sensor modular block provides a production-ready potentiostat and signal conditioning solution, eliminating the complex analog design work usually required for electrochemical gas sensing. By utilizing a high-precision voltage reference and a low-noise transimpedance stage, this design ensures a stable 2.5V baseline and a clear, amplified output signal. This reusable building block allows engineering teams to focus on the high-level sensor fusion and data logging requirements of their application, significantly reducing first-spin risk in environmental monitoring hardware.
Skip the tedious research and manual entry. Download the production-ready schematic block for the 110-407 directly from the Quickboards Library.

