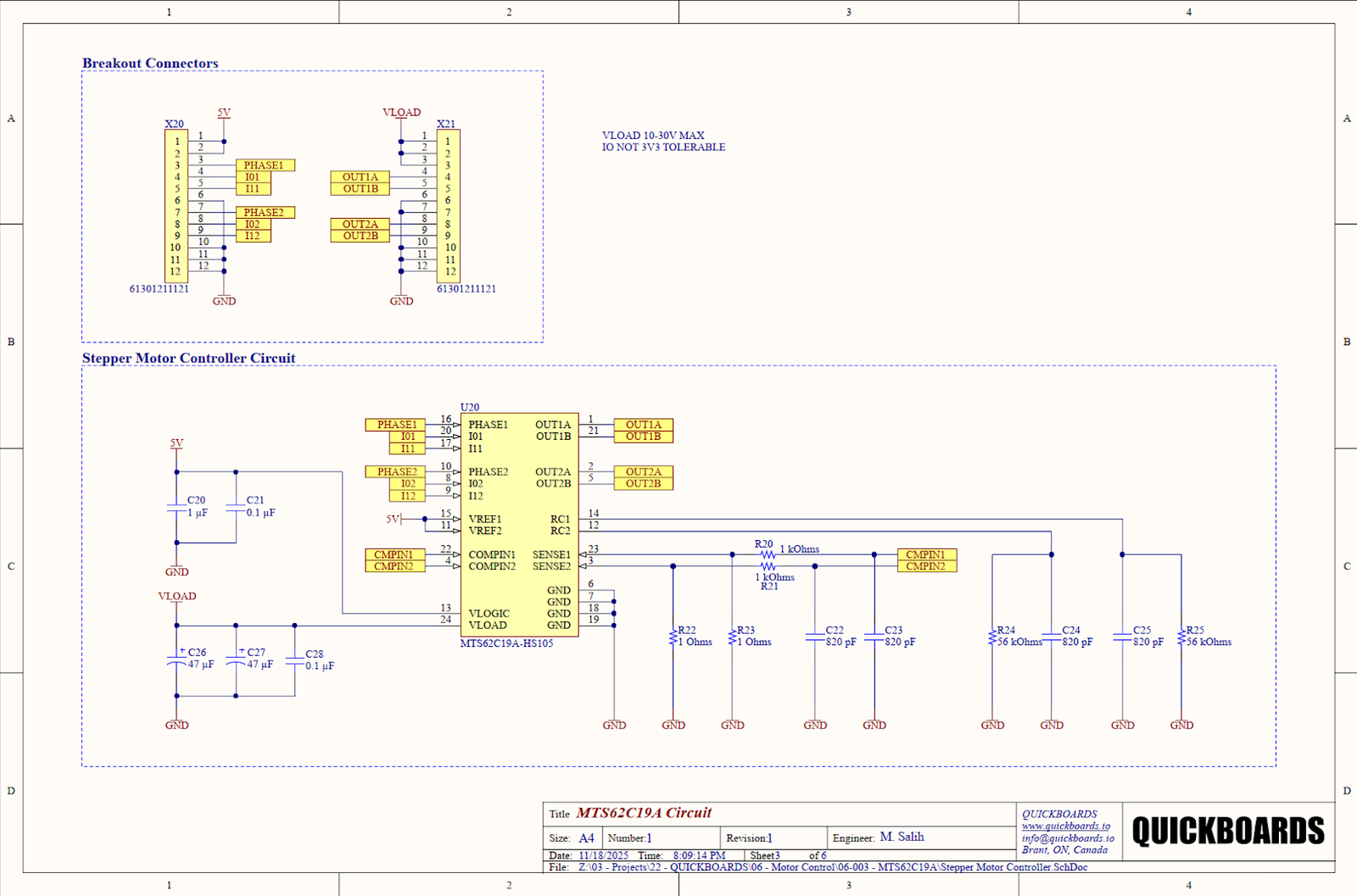
This schematic block features the MTS62C19A, a dual full H-bridge DC motor driver designed for compact, efficient motor control in robotics, consumer devices, automation peripherals, and general embedded motion systems. Capable of driving two DC motors or a single bipolar stepper motor, the MTS62C19A integrates low-RDS(on) MOSFETs, built-in protection circuitry, and straightforward PWM/logic control within a robust 24-SOP package.
Configured as a breakout-style module, this block provides clearly labeled motor outputs, direction and enable/PWM inputs, and well-organized power routing for quick integration into prototypes. With support for moderate motor currents and a wide operating voltage range, the MTS62C19A is a dependable choice for motion applications that require simplicity and durability without the complexity of advanced configuration interfaces.
The MTS62xx family has been widely used in cost-sensitive and mid-performance motion designs thanks to its long production availability and its reliable, easy-to-drive H-bridge architecture.
Key Features:
- MTS62C19A dual H-bridge motor driver, 24-SOP
- Drives two DC motors or one bipolar stepper motor
- Low-RDS(on) integrated MOSFETs for efficient operation
- Logic-friendly direction and PWM enable inputs
- Built-in thermal shutdown and overcurrent protection
- Wide operating voltage range for versatile motor types
- 24-SOP breakout providing easy access to all motor and control pins
- Suitable for compact, low- to mid-power motion systems
Typical Applications:
- Small robotics and mobile platforms
- Consumer electronics with simple motion requirements
- Automation and peripheral actuation
- Motorized mechanisms, locks, and valves
- Educational kits and prototyping systems
- General embedded motion control
By integrating this Quickboards schematic block, engineers can accelerate motion-system development, reduce design complexity, and rely on a proven dual-H-bridge architecture that delivers stable and predictable motor control performance.



